
一、WB电动往复泵产品概述:
上海政博公司研发生产的WB电动往复泵过流部份分为铸钢和不锈钢材料,铸钢材质专用于抽吸清水或油类制品及其他无腐蚀性之液体,不锈钢材质,由1Cr18Ni9Ti钢制成。适用于抽送各种酸碱类液体,本泵特别适合于槽车卸车之用。及其他需要自吸的场合。本泵最高输送介质温度150℃。如用户要求输送更高温度,请选上海政博公司研发生产的WBR高温往复泵。
WB电动往复泵分为二大系列:
第一系列:WB1、WB2往复泵系列。主要用于远距离输送水,码头输送油品,泵输送原油、甲醇。油罐车、油库装卸、热水回收及循环用于制药、酿造、化工、石油等行业的工艺流程中都可使用本系列。
第二系列:WBR电动往复泵系列,是政博公司专为炼油、造纸、油毡、石化、塑料等行业设计生产的一种耐高温泵,目前是全国唯一生产单位。该泵结构紧凑,设计合理,参照国外产品并消化吸收,是一种很有使用前途的输送设备。该泵对于一些用户仍在使用的蒸汽往复泵,是一种节能,环保代替产品。适用于温度100℃~400℃之间热水、热油浆、导热油或其它物理、化学性能类似于油水的高温介质。经过多年的运行,针对输送高温度塑料,我政博公司在原来的基础上,对该泵的关键部位作了重大改进(如泵长轴、泵体、单向球阀)98年推出新一代高温往复泵,该泵的使用寿命便长,维修更方便。 四、WB2电动往复泵性能参数: 五、 WB电动往复泵结构图:
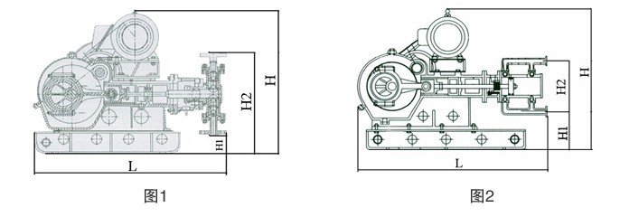
型号Model L1 L2 底孔Foot hole L D H H1 H2 WB1-0.75/16 360 590 4-Φ20 965 650 810 120 475 WB1-0.75/25 360 590 4-Φ20 965 650 810 120 475 WB1-0.75/40 360 590 4-Φ20 965 650 810 120 475 WB1-6/5 360 400 6-Φ20 965 650 810 120 475 WB1-6/10 360 400 6-Φ20 965 650 810 120 475 WB1-10/7 360 400 6-Φ20 965 650 810 120 475 WB1-13/3 360 400 6-Φ20 965 650 810 120 475 WB1-13/6 360 400 6-Φ20 965 650 810 120 475 WB2-1/120 420 400 6-Φ22 1120 700 940 130 740 WB2-2/60 420 400 6-Φ22 1120 700 940 130 740 WB2-10/15 420 400 6-Φ22 1120 700 940 130 740 WB2-10/25 420 400 6-Φ22 1120 700 940 130 740 WB2-20/5 420 400 6-Φ22 1120 700 940 130 740 WB2-20/10 420 400 6-Φ22 1120 700 940 130 740 WB2-30/3 420 400 6-Φ22 1120 700 940 130 740 WB2-30/6 420 400 6-Φ22 1120 700 940 130 740 八、WB电动往复泵安装注意事项: 1、本泵水平安装在20-30mm高的水泥混凝土基础上,进出口管路不得负担其它物体及管路的重量。 2、齿轮箱内加注120#工业齿轮油。 3、在管路容易堵塞的场合,须安装安全阀,以保证泵的安全运行,如用户需另外订货,请向本公司提出。 4、冬季用泵须检查蒸汽是否畅通,以免介质冻结时开泵造成损坏。 5、开泵前必须先打开进出口阀门。 感谢您访问我们政博公司的网站www.zbpv.com,如有任何WB电动往复泵疑问.您可以致电给我们,我们一定会尽心尽力为您提供优质的服务。 产品相关关键字:WB电动往复泵 往复泵 WBR电动高温往复泵
二、WB电动往复泵主要特点:
WB1、WB2系列往复泵的减速箱采用皮带齿轮二级变速,润滑采用飞溅方式,结构紧凑、设计先进,不锈钢泵活塞环采用本公司特制的碗形聚四氟乙烯环,耐磨、耐腐、密封性好。本泵高压型采用柱塞双阀结构,低压型采用活塞球阀结构,该设计动灵敏、封闭可靠根据不同流量和压力,配用不同电机,可达到用户的使用要求。
三、WB1电动往复泵性能参数:



七、WB电动往复泵曲线图:
三、当使用的场合非常重要或环境比较复杂时,请您尽量提供设计图纸和输送介质的详细参数,由我们上海政博公司的技术专家为您选型。

